PCB中焊盘尺寸、封装命名设计规范
本设计标准综合参考了IPC-SM-782A规范、日本知名设计制造厂商的方案,以及在实际生产中积累的成功设计经验,旨在为相关设计提供可靠参考。具体焊盘设计原则如下:
CHIP元件:尺寸标准的按规格设计焊盘;尺寸特殊的按其物料编号进行设计。
IC与连接器类元件:依据物料编号或规格归类,制定相应的焊盘设计标准。
希望通过以上标准化设计,减少因设计问题对生产造成的不良影响。
1、焊盘规范尺寸:
规格(或物料编号) | 物料具体参数(mm) | 焊盘设计(mm) | 印锡钢网设计 | 印胶钢网设计 | 备注 | |
01005 | / | / | / | / | ||
0201 (0603) |
a=0.10±0.05 b=0.30±0.05,c=0.60±0.05 |
| / | 适用与普通电阻、电容、电感 | ||
0402 (1005) |
a=0.20±0.10 b=0.50±0.10,c=1.00±0.10 |
| 以焊盘中心为中心,开孔圆形D=0.55mm | 开口宽度0.2mm(钢网厚度T建议厚度为0.15mm) | 适用与普通电阻、电容、电感 | |
0603 (1608) |
a=0.30±0.20, b=0.80±0.15,c=1.60±0.15 |
| 适用与普通电阻、电容、电感 | |||
0805 (2012) |
a=0.40±0.20 b=1.25±0.15,c=2.00±0.20 |
| 适用与普通电阻、电容、电感 | |||
1206 (3216) |
a=0.50±0.20 b=1.60±0.15,c=3.20±0.20 |
| 适用与普通电阻、电容、电感 | |||
1210 (3225) |
a=0.50±0.20 b=2.50±0.20,c=3.20±0.20 |
| 适用与普通电阻、电容、电感 | |||
1812 (4532) |
a=0.50±0.20 b=3.20±0.20,c=4.50±0.20 |
| 适用与普通电阻、电容、电感 | |||
2010 (5025) |
a=0.60±0.20 b=2.50±0.20,c=5.00±0.20 |
| 适用与普通电阻、电容、电感 | |||
2512 (6432) |
a=0.60±0.20 b=3.20±0.20,c=6.40±0.20 |
| 适用与普通电阻、电容、电感 | |||
5700-250AA2-0300 |
|
| 1:1开口,不避锡珠 | |||
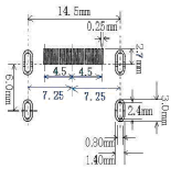
排阻 0404 (1010) |
a=0.25±0.10,b=1.00±0.10 c=1.00±0.10,d=0.35±0.10 p=0.65±0.05 |
| ||||
排阻 0804 (2010) |
a=0.25±0.10,b=2.00±0.10 c=1.00±0.10,d=0.30±0.15 p=0.50±0.05 |
| ||||
排阻 1206 (3216) |
a=0.30±0.15,b=3.2±0.15 c=1.60±0.15,d=0.50±0.15 p=0.80±0.10 |
| ||||
排阻 1606 (4016) |
a=0.25±0.10,b=4.00±0.20 c=1.60±0.15,d=0.30±0.10 p=0.50±0.05 |
| ||||
472X-R05240-10 |
a=0.38±0.05,b=2.50±0.10 c=1.00±0.10,d=0.20±0.05 d1=0.40±0.05,p=0.50 |
| ||||
钽质电容 |
|
| 适用于钽质电容 | |||
1206 (3216) | a=0.80±0.30,b=1.60±0.20 c=3.20±0.20,d=1.20±0.10 | A=1.50,B=1.20,G=1.40 | ||||
1411 (3528) | a=0.80±0.30,b=2.80±0.20 c=3.50±0.20,d=2.20±0.10 | A=1.50,B=2.20,G=1.70 | ||||
2312 (6032) | a=1.30±0.30,b=3.20±0.30 c=6.00±0.30,d=2.20±0.10 | A=2.00,B=2.20,G=3.20 | ||||
2917 (7243) | a=1.30±0.30,b=4.30±0.30 c=7.20±0.30,d=2.40±0.10 | A=2.00,B=2.40,G=4.50 | ||||
铝质 电解 电容 |
|
| 适用于铝质电解电容 | |||
(Ø4×5.4) d=4.0±0.5 h=5.4±0.3 | a=1.8±0.2,b=4.3±0.2 c=4.3±0.2,e=0.5~0.8 p=1.0 | A=2.40,B=1.00 P=1.20,R=0.50 | ||||
(Ø5×5.4) d=5.0±0.5 h=5.4±0.3 | a=2.2±0.2,b=5.3±0.2 c=5.3±0.2,e=0.5~0.8 p=1.3 | A=2.80,B=1.00 P=1.50,R=0.50 | ||||
(Ø6.3×5.4) d=6.3±0.5 h=5.4±0.3 | a=2.6±0.2,b=6.6±0.2 c=6.6±0.2,e=0.5~0.8 p=2.2 | A=3.20,B=1.00 P=2.40,R=0.50 | ||||
(Ø6.3×7.7) d=6.3±0.5 h=7.7±0.3 | a=2.6±0.2,b=6.6±0.2 c=6.6±0.2,e=0.5~0.8 p=2.2 | A=3.20,B=1.00 P=2.40,R=0.50 | ||||
(Ø8.0×6.5) d=6.3±0.5 h=7.7±0.3 | a=3.0±0.2,b=8.3±0.2 c=8.3±0.2,e=0.5~0.8 p=2.2 | A=3.20,B=1.00 P=2.40,R=0.50 | ||||
(Ø8×10.5) d=8.0±0.5 h=10.5±0.3 | a=3.0±0.2,b=8.3±0.2 c=8.3±0.2,e=0.8~1.1 p=3.1 | A=3.60,B=1.30 P=3.30,R=0.65 | ||||
(Ø10×10.5) d=10.0±0.5 h=10.5±0.3 | a=3.5±0.2,b=10.3±0.2 c=10.3±0.2,e=0.8~1.1 p=4.6 | A=4.20,B=1.30 P=4.80,R=0.65 | ||||
二极管(SMA) 4500-234031-T0 4500-205100-T0 |
a=1.20±0.30 b=2.60±0.30,c=4.30±0.30 d=1.45±0.20,e=5.2±0.30 |
| ||||
二极管(SOD-323) 4500-141482-T0 | ![]() a=0.30±0.10 b=1.30±0.10,c=1.70±0.10 d=0.30±0.05,e=2.50±0.20 |
| ||||
二极管 (3515) |
a=0.30 b=1.50±0.1,c=3.50±0.20 |
| ||||
二极管 (5025) |
a=0.55 b=2.50±0.10, c=5.00±0.20 |
| ||||
三极管(SOT-523) |
a=0.40±0.10,b=0.80±0.05 c=1.60±0.10,d=0.25±0.05 p=1.00 |
| ||||
三极管(SOT-23) |
a=0.55±0.15,b=1.30±0.10 c=2.90±0.10,d=0.40±0.10 p=1.90±0.10 |
| ||||
SOT-25 |
a=0.60±0.20,b=2.90±0.20 c=1.60±0.20,d=0.45±0.10 p=1.90±0.10 |
| ||||
SOT-26 |
a=0.60±0.20,b=2.90±0.20 c=1.60±0.20,d=0.45±0.10 p=0.95±0.05 |
| ||||
SOT-223 |
a1=1.75±0.25,a2=1.5±0.25 b=6.50±0.20,c=3.50±0.20 d1=0.70±0.1,d2=3.00±0.1 p=2.30±0.05 |
| ||||
SOT-89 |
a1=1.0±0.20,a2=0.6±0.20 b=2.50±0.20,c=4.50±0.20 d1=0.4±0.10,d2=0.5±0.10 d3=1.65±0.20,p=1.5±0.05 |
| ||||
TO-252 |
a1=1.1±0.2,a2=0.9±0.1 b=6.6±0.20,c=6.1±0.20 d1=5.0±0.2,d2=Max1.0 e=9.70±0.70,p=2.30±0.10 |
| ||||
TO-263-2 |
a1=1.30±0.1,a2=2.55±0.25 b=9.97±0.32,c=9.15±0.50 d1=1.3±0.10,d2=0.75±0.24 e=15.25±0.50,p=2.54±0.10 |
| ||||
TO-263-3 |
a1=1.30±0.1,a2=2.55±0.25 b=9.97±0.32,c=9.15±0.50 d1=1.3±0.10,d2=0.75±0.24 e=15.25±0.50,p=2.54±0.10 |
| ||||
TO-263-5 |
a1=1.66±0.1,a2=2.54±0.20 b=10.03±0.15,c=8.40±0.20 d=0.81±0.10,e=15.34±0.2 p=1.70±0.10 |
| ||||
SOP (引脚(Pitch>0.65mm) |
|
A=a+1.0,B=d+0.1 G=e-2*(0.4+a) P=p | ||||
SOP (Pitch≦0.65mm) |
|
A=a+0.7,B=d G=e-2*(0.4+a) P=p | ||||
SOJ (Pitch≧0.8mm) |
|
A=1.8mm,B=d2+0.10mm G=g-1.0mm,P=p | ||||
QFP (Pitch≧0.65mm) |
|
A=a+1.0,B=d+0.05 P=p G1=e1-2*(0.4+a) G2=e2-2*(0.4+a) | ||||
QFP (Pitch=0.5mm) |
|
A=a+0.9,B=0.25mm P=p G1=e1-2*(0.4+a) G2=e2-2*(0.4+a) | ||||
QFP (Pitch=0.4mm) |
|
A=a+0.8,B=0.19mm P=p G1=e1-2*(0.4+a) G2=e2-2*(0.4+a) | 引脚长由原来的a+0.70mm更改为a+0.80mm,有利于修理和印刷拉尖的处理。对于高度为3.8mm的LQFP焊盘设计宽度采用0.23mm(钢网开口宽度0.19mm) | |||
QFP (Pitch=0.3mm) |
|
A=a+0.7,B=0.17mm P=p G1=e1-2*(0.4+a) G2=e2-2*(0.4+a) | T=0.10mm, 引脚开口宽度0.15mm | |||
PLCC (Pitch≧0.8mm) |
|
A=1.8mm,B=d2+0.10mm G1=g1-1.0mm, G2=g2-1.0mm, P=p | ||||
BGA Pitch=1.27mm, 球径: Φ=0.75±0.15mm |
|
D=0.70mm P=1.27mm | 建议钢网开口直径为0.75mm | 不代表实际BGA底部焊球的排列方式 | ||
BGA Pitch=1.00mm, 球径: Φ=0.50±0.05mm |
|
D=0.45mm P=1.00mm | 建议钢网开口直径为0.50mm | 不代表实际BGA底部焊球的排列方式 | ||
BGA Pitch=0.80mm, 球径: Φ=0.45±0.05mm |
|
D=0.35mm P=0.80mm | 建议钢网开口直径为0.40mm | 不代表实际BGA底部焊球的排列方式 | ||
BGA Pitch=0.80mm, 球径: Φ=0.35±0.05mm |
|
D=0.40mm P=0.80mm | 建议钢网开口直径为0.40mm | 不代表实际BGA底部焊球的排列方式 | ||
BGA Pitch=0.75mm, 球径: Φ=0.45±0.05mm |
|
D=0.3mm P=0.75mm | 建议钢网开口直径为0.35mm | 不代表实际BGA底部焊球的排列方式 | ||
BGA Pitch=0.75mm, 球径: Φ=0.35±0.05mm |
|
D=0.3mm P=0.75mm | 建议钢网开口直径为0.35mm | 不代表实际BGA底部焊球的排列方式 | ||
LGA(无球BGA) Pitch=0.65mm, 引脚直径: Φ=0.3±0.05mm |
|
D=0.3mm, P=0.65mm | 建议钢网1:1开口 | 不代表实际BGA底部焊球的排列方式 | ||
QFN (Pitch≧0.65mm) |
|
A=a+0.35,B=d+0.05 P=p,W1=w1,W2=w2 G1=b1-2*(0.05+a) G2=b2-2*(0.05+a) 每只引脚设计独立焊盘。 备注:如果接地焊盘要设计散热过孔,则应按1.0mm-1.2mm 的间隙均匀分布在中央散热焊盘上,过孔应连通到PCB 内层的金属接地层上,过孔直径推荐为0.3mm-0.33mm | 建议钢网引脚开口长度方向外扩0.30mm,接地焊盘开口架桥,桥宽0.5mm,架桥的数目为W1/2,W2/2,取整数。 如果焊盘设计有过孔,钢网开口时注意避孔,接地焊盘开口面积为接地焊盘面积的50%~80%即可,过多的锡量对引脚焊接有一定的影响 | |||
QFN (Pitch<0.65mm) | A=a+0.3,B=d, P=p W1=w1,W2=w2 G1=b1-2*(0.05+a) G2=b2-2*(0.05+a) | 建议钢网引脚开口长度方向外扩0.20mm,其他的同上所述 | ||||
HDMI (6100-150002-00) |
|
| 建议钢网开口引脚宽度按照0.27mm开口,引脚长度方向外扩0.3mm开口 | |||
HDMI (6100-151910-00) |
|
| 建议钢网开口引脚宽度按照0.27mm开口,引脚长度方向外扩0.3mm开口 | 试产时注意看一下尺寸设计是否合适 | ||
HDMI (6100-151910-01) |
|
| 建议钢网开口引脚宽度按照0.265mm开口,引脚长度方向外扩0.3mm开口 | |||
5400-997000-50 |
|
| 建议钢网引脚宽度按0.6mm开口,引脚长度方向外扩0.4mm开口。 | |||
元件焊盘命名规范
| 元件类别 | 命名规则 | 示例与说明 |
|---|---|---|
| 一、普通R/C/L/FB | 元件类型 + 尺寸制式 + 外形尺寸 | RIN0402:电阻,英制,0402规格。CIN0603:电容,英制,0603规格。 |
| 二、排阻/排容 | 元件类型 + 尺寸制式 + 外形尺寸 + P + 引脚数 | RNIN1206P8:排阻,英制1206规格,8引脚。 |
| 三、钽电容 | 元件类型 + 尺寸制式 + 外形尺寸 | TANIN1206:钽电容,英制1206规格。 |
| 四、铝电解电容 | 元件类型 + 尺寸制式 + (顶部直径X元件高度) | ALMM 5X5d4:铝电解电容,顶部直径5mm,高5.4mm。 |
| 五、二极管 | ||
| 1. 平面型 | DIF + 尺寸制式 + 引脚尺寸(长X宽) + X + 引脚跨距 | DIFMM1d2X1d4X2d8:引脚长1.2mm、宽1.4mm,跨距2.8mm。 |
| 2. 圆柱型 | DIR + 尺寸制式 + 外形尺寸(长X宽) | DIRMM3d5X1d5:外形长3.5mm、宽1.5mm。 |
| 六、晶体管 | 直接采用标准规格名称 | SOT-23, TO-252 |
| 七、SOP | SOP + 尺寸制式 + e X a X d X p X j | SOPMM6X0d8X0d42X1d27X8:e=6mm, a=0.8mm, d=0.42mm, p=1.27mm, 8引脚。 |
| 八、SOJ | SOJ + 尺寸制式 + g X d2 X p X j | SOJMM6d85X0d43X1d27X24:g=6.85mm, d2=0.43mm, p=1.27mm, 24引脚。 |
| 九、PLCC | PLCC + 尺寸制式 + g1 X g2 X d2 X p X j | PLCCMM15d5X15d5X0d46X1d27X44:g1=g2=15.5mm, d2=0.46mm, p=1.27mm, 44引脚。 |
| 十、QFP | QFP + 尺寸制式 + e1 X e2 X a X d X p X j | QFPMM30X30X0d6X0d16X0d4X32:e1=e2=30mm, a=0.6mm, d=0.16mm, p=0.4mm, 32引脚。 |
| 十一、QFN | QFN + 尺寸制式 + b1 X b2 (X w1 X w2) X a X d X p X j (括号内为可选接地焊盘尺寸) | QFNMM5X5X3d1X3d1X0d4X0d3X0d8X32:b1=b2=5mm, w1=w2=3.1mm, a=0.4mm, d=0.3mm, p=0.8mm, 32引脚。 |
| 十二、其他 | 直接采用物料编号命名 | 5400-997100-10, 6100-150002-00 |
PCB关键设计要求
1. MARK点设计
MARK点为SMT设备视觉定位基准,必须设计,具体要求如下:
形状与尺寸:建议采用圆形(最优)或与板边平行的正方形。推荐直径为 1.0mm。尺寸过小可能导致喷锡不平、识别困难;过大可能超出设备识别视窗。
位置布局:
应置于PCB对角位置。
距离板边至少 5mm,避免被夹具遮挡。
两点位置建议非对称设计,以防板面反向放置导致误贴装。
周围环境:以MARK点为中心,半径5mm范围内不得有类似形状的焊盘或测试点,防止设备误识别。
2. 过孔设计
过孔位置不当可能导致焊接时焊料流失,引发焊料不足或开焊,影响可靠性。
禁止项:严禁将过孔直接设计在焊盘上。
间距要求:
普通电阻、电容、电感、磁珠焊盘:附近过孔边缘与焊盘边缘间距应 ≥ 0.15mm。
IC、SOT、大型电感、电解电容、二极管、连接器等焊盘:附近过孔边缘与焊盘边缘间距应 ≥ 0.5mm。因该类元件钢网开口常会外扩,需预留更大安全距离。









































































































